Skip to content
kemngonquachuan.vn
  • Trang chủ
  • Tin tức
  • Bí quyết
  • Thủ thuật
kemngonquachuan.vn

Cách sửa máy lọc nước đơn giản tại nhà

By Tháng 2 15, 2025 0
Cách sửa máy lọc nước đơn giản tại nhà
Mục lục

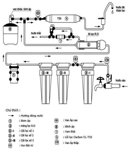
Máy lọc nước đã trở thành một thiết bị thiết yếu cho mọi gia đình, giữ vai trò quan trọng trong việc cung cấp nước sạch và an toàn cho sức khỏe. Tuy nhiên, trong quá trình sử dụng, máy có thể gặp phải một số vấn đề gây khó khăn trong việc hoạt động. Bài viết này sẽ chia sẻ những cách sửa chữa máy lọc nước tại nhà đơn giản và hiệu quả giúp bạn nhanh chóng khôi phục tình trạng hoạt động tốt nhất cho thiết bị của mình.

1. Khi máy bơm không chạy

Nguyên nhân

  • Nguồn nước vào máy bị ngắt.
  • Van nước không mở hoặc không hoạt động.
  • Áp suất nước vào máy quá yếu.
  • Ống cấp nước bị tắc nghẽn hoặc lõi lọc quá bẩn.

Cách khắc phục

  • Đảm bảo nguồn nước đủ và có áp suất ổn định trước khi khởi động máy.
  • Kiểm tra các van nước và đảm bảo tất cả đều đã được mở và hoạt động bình thường.

2. Khi máy vẫn chạy nhưng không có nước chảy ra

Nguyên nhân

  • Áp suất nước đầu vào quá cao.
  • Vật cản nằm trong van cấp nước.
  • Van điện từ hỏng hoặc không hoạt động đúng cách.

Cách khắc phục

  • Giảm áp suất nước đầu vào bằng cách điều chỉnh công tắc áp suất cao.
  • Kiểm tra và làm sạch hoặc thay thế van điện từ nếu cần thiết.

Kiến thức sửa máy lọc nướcKiến thức sửa máy lọc nước

3. Khi vòi nước không có nước dù máy vẫn hoạt động

Nguyên nhân

  • Van khóa nước bị khóa.
  • Lỏng jack cắm hoặc hư adapter.
  • Lõi lọc cần thay thế.

Cách khắc phục

  • Mở van khóa nếu nó bị khóa.
  • Kiểm tra và sửa chữa jack cắm hoặc adapter bị lỏng.
  • Đánh giá tình trạng lõi lọc và thay mới nếu cần thiết.

Lõi lọc nước cần thay thếLõi lọc nước cần thay thế

4. Khi bơm vẫn hoạt động nhưng nước không ra

Nguyên nhân

  • Đầu cấp nước hoặc vòi cấp nước bị rò rỉ.
  • Van hạ áp bị hỏng.

Cách khắc phục

  • Kiểm tra các van và hàn kín nếu thấy rò rỉ.
  • Thay thế van hạ áp nếu cần thiết.

5. Khi nước có mùi hoặc vị bất thường

Nếu nước có vị lạ hoặc mùi hôi, nguyên nhân có thể là do:

  • Chất hữu cơ tích tụ trong bộ lọc.
  • Nước có các chất hòa tan không mong muốn.

Cách khắc phục

  • Thay bộ lọc cũ và kiểm tra chất lượng nước sau khi thay.
  • Đảm bảo bảo trì máy lọc theo đúng lịch trình 12 tháng một lần.

Bình nén tạo áp suấtBình nén tạo áp suất

6. Khi nước chảy chậm

Điều này có thể do:

  • Áp suất nước thấp.
  • Lõi lọc bị tắc nghẽn.

Cách khắc phục

  • Kiểm tra áp suất vào máy; nếu thấp, cần điều chỉnh nguồn nước.
  • Kiểm tra trạng thái lõi lọc và thay thế nếu bị tắc.

7. Khi vòi hoặc bộ lọc bị rò rỉ

Nếu xảy ra tình trạng này có thể do:

  • Các bộ phận không được lắp đặt đúng cách.

Cách khắc phục

  • Kiểm tra toàn bộ hệ thống và đảm bảo tất cả các phần đều được lắp đặt kín khít, thay thế một số bộ phận nếu cần thiết.

Những vấn đề về máy lọc nước có thể gây khó chịu nhưng hoàn toàn có thể khắc phục tại nhà với một chút kiến thức và sự cẩn thận. Hy vọng qua bài viết này, bạn sẽ cảm thấy tự tin hơn khi sửa chữa máy lọc nước của mình. Nếu cần thêm thông tin hoặc hướng dẫn, hãy truy cập vào trang web “kemngonquachuan.vn” để tìm hiểu thêm!

Share
facebookShare on FacebooktwitterShare on TwitterpinterestShare on Pinterest
linkedinShare on LinkedinvkShare on VkredditShare on ReddittumblrShare on TumblrviadeoShare on ViadeobufferShare on BufferpocketShare on PocketwhatsappShare on WhatsappviberShare on ViberemailShare on EmailskypeShare on SkypediggShare on DiggmyspaceShare on MyspacebloggerShare on Blogger YahooMailShare on Yahoo mailtelegramShare on TelegramMessengerShare on Facebook Messenger gmailShare on GmailamazonShare on AmazonSMSShare on SMS
Post navigation
Previous post

Cách làm chân gà sả tắc tại nhà giòn ngon khó cưỡng

Next post

Hướng dẫn cách nấu chè dưỡng nhan dinh dưỡng tại nhà

Related Posts

Categories Tin tức Cách sửa máy lọc nước đơn giản tại nhà

Hướng dẫn đăng ký Vin777 chi tiết cho người chơi mới

Categories Tin tức Cách sửa máy lọc nước đơn giản tại nhà

Liên hệ nhà cái Rongho99 hỗ trợ khách hàng nhanh chóng 24h

UFC và MMA: những kèo cược hấp dẫn nhất tại 33bet

Leave a Comment Hủy

Xem thêm

Categories Tin tức Hướng dẫn đăng ký Vin777 chi tiết cho người chơi mới

Hướng dẫn đăng ký Vin777 chi tiết cho người chơi mới

Liên hệ nhà cái Rongho99 hỗ trợ khách hàng nhanh chóng 24h

Liên hệ nhà cái Rongho99 hỗ trợ khách hàng nhanh chóng 24h

UFC và MMA: những kèo cược hấp dẫn nhất tại 33bet

Cá Cược Thể Thao Cùng H3Bet: Soi Kèo Chuẩn, Thắng Lớn Dễ Dàng

Azbet88 hỗ trợ khách hàng 24/7: Giải đáp nhanh, xử lý mọi tình huống

Nổ hũ cực đại pq88: game nào trả thưởng cao nhất hiện nay?

Ưu đãi độc quyền cho thành viên YSB66: Nhận thưởng mỗi ngày

Học hỏi kiến thức chia sẻ kinh nghiệm Cộng đồng Letou

Trò chơi casino iBet68 nào đang hot nhất hiện nay?

Thông tin pháp lý và chính sách miễn trừ tại VX88: Người chơi cần biết

Giới thiệu

Kemngonquachuan.vn chia sẻ các công thức làm món tráng miệng, đơn giản và dễ thực hiện tại nhà. Hướng dẫn chi tiết cách làm các loại kem hấp dẫn, phù hợp cho mọi gia đình, mang lại những món tráng miệng tuyệt vời.

79king, mb66, 33win, ae888, 789win, 8kbet, hi88, jun88, u888, ee88, vin88, sv388, k8cc, s666, vin88, 23win, pg88, xin88, fun88, vin88, nhà cái uy tín, soi kèo nhà cái, vin777, kubet11, yo88, typhu88, tài xỉu online, xocdia88, sanclub, kingbet86, 33bet, azbet88, h3bet, pq88, ysb66, letou, ibet68, vx88, km1888b, rongho99, b52, 123b, hb88, az888, ku68, 888b, bet88, loto188, win55, xoso66, vb777, 12bet, 999bet, 123win, good88, keonhacai5, go789, kubet77, qh88, iwinclub, mksport, win456, 78win, topzo, 77ball, ab77, abc8, b52club, fo88, kubet77, i5bet, cado88, 99vina,

Liên hệ

  • Phone: 0903 568 322
  • Email: [email protected]
  • Địa chỉ: Số 12, Đường Phạm Ngọc Thạch, Phường 6, Quận 3, TP Hồ Chí Minh, Việt Nam
Copyright © 2025 kemngonquachuan.vn
Danh mục
  • Trang chủ
  • Tin tức
  • Bí quyết
  • Thủ thuật